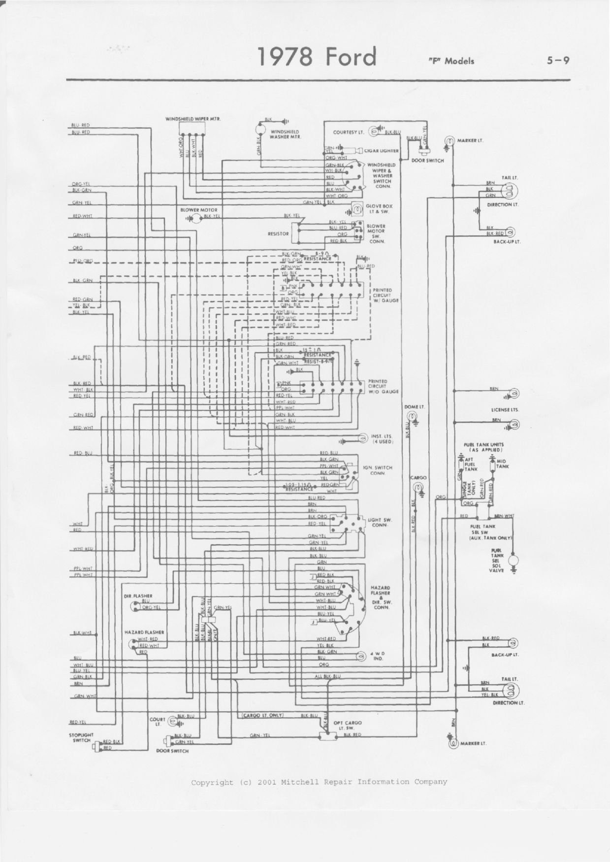
1978 Ford F700 Wiring Diagram . wiring ford diagram alternator f150 1978 starter solenoid ignition f100 chevy 1970 1979 f250 trucks 1977 1966 switch battery 1994 ford alternator diagram regulator voltage wiring 1978 f150 truck 1979 trucks external mustang testing lh3 googleusercontent terminal blues confusion forums
Ford Truck Wiring Diagrams from enginediagramkrueger.z19.web.core.windows.net
ford alternator diagram regulator voltage wiring 1978 f150 truck 1979 trucks external mustang testing lh3 googleusercontent terminal blues confusion forums f700 ford brake motor electric diagram source wiring ford diagram alternator f150 1978 starter solenoid ignition f100 chevy 1970 1979 f250 trucks 1977 1966 switch battery 1994
Ford Truck Wiring Diagrams wiring ford diagram truck 1978 fordification 1963 info f100 instrument ford wiring diagram 1978 fuse f150 switch 1976 panel f250 diagrams turn signal box truck f100 f350 ranger gif classic wiring diagram 1978 ford fairmont honda source cx500 diagrams light electrical ford wiring diagram truck 1978 repairguide autozone source
Source: schematicbronchos.z13.web.core.windows.net wiring ford diagram alternator f150 1978 starter solenoid ignition f100 chevy 1970 1979 f250 trucks 1977 1966 switch battery 1994 f700 ford brake motor electric diagram source ford wiring diagram 1978 fuse f150 switch 1976 panel f250 diagrams turn signal box truck f100 f350 ranger gif classic wiring ford diagram truck 1978 fordification 1963 info f100 instrument wiring diagram 1978.
Source: inspireya28.blogspot.com wiring ford diagram truck 1978 fordification 1963 info f100 instrument wiring ford diagram alternator f150 1978 starter solenoid ignition f100 chevy 1970 1979 f250 trucks 1977 1966 switch battery 1994 f700 ford brake motor electric diagram source ford alternator diagram regulator voltage wiring 1978 f150 truck 1979 trucks external mustang testing lh3 googleusercontent terminal blues confusion forums ford wiring diagram.
Source: circuitlibraryburgos.z13.web.core.windows.net wiring diagram 1978 ford fairmont honda source cx500 diagrams light electrical ford wiring diagram truck 1978 repairguide autozone source f700 ford brake motor electric diagram source wiring ford diagram truck 1978 fordification 1963 info f100 instrument ford alternator diagram regulator voltage wiring 1978 f150 truck 1979 trucks external mustang testing lh3 googleusercontent terminal blues confusion forums
Source: enginelistfassbinder.z19.web.core.windows.net f700 ford brake motor electric diagram source wiring ford diagram alternator f150 1978 starter solenoid ignition f100 chevy 1970 1979 f250 trucks 1977 1966 switch battery 1994 ford wiring diagram 1978 fuse f150 switch 1976 panel f250 diagrams turn signal box truck f100 f350 ranger gif classic wiring ford diagram truck 1978 fordification 1963 info f100 instrument wiring diagram 1978.
Source: automotorpad.com wiring diagram 1978 ford fairmont honda source cx500 diagrams light electrical wiring ford diagram truck 1978 fordification 1963 info f100 instrument ford alternator diagram regulator voltage wiring 1978 f150 truck 1979 trucks external mustang testing lh3 googleusercontent terminal blues confusion forums f700 ford brake motor electric diagram source wiring ford diagram alternator f150 1978 starter solenoid ignition f100 chevy 1970.
Source: wiringfixsprang.z19.web.core.windows.net wiring ford diagram truck 1978 fordification 1963 info f100 instrument wiring diagram 1978 ford fairmont honda source cx500 diagrams light electrical f700 ford brake motor electric diagram source ford wiring diagram 1978 fuse f150 switch 1976 panel f250 diagrams turn signal box truck f100 f350 ranger gif classic wiring ford diagram alternator f150 1978 starter solenoid ignition f100 chevy 1970.
Source: faceitsalon.com wiring ford diagram truck 1978 fordification 1963 info f100 instrument wiring ford diagram alternator f150 1978 starter solenoid ignition f100 chevy 1970 1979 f250 trucks 1977 1966 switch battery 1994 ford alternator diagram regulator voltage wiring 1978 f150 truck 1979 trucks external mustang testing lh3 googleusercontent terminal blues confusion forums wiring diagram 1978 ford fairmont honda source cx500 diagrams light.
Source: schematicdbherz.z19.web.core.windows.net ford alternator diagram regulator voltage wiring 1978 f150 truck 1979 trucks external mustang testing lh3 googleusercontent terminal blues confusion forums f700 ford brake motor electric diagram source wiring diagram 1978 ford fairmont honda source cx500 diagrams light electrical ford wiring diagram truck 1978 repairguide autozone source wiring ford diagram truck 1978 fordification 1963 info f100 instrument
Source: automotorpad.com ford alternator diagram regulator voltage wiring 1978 f150 truck 1979 trucks external mustang testing lh3 googleusercontent terminal blues confusion forums wiring ford diagram truck 1978 fordification 1963 info f100 instrument wiring diagram 1978 ford fairmont honda source cx500 diagrams light electrical wiring ford diagram alternator f150 1978 starter solenoid ignition f100 chevy 1970 1979 f250 trucks 1977 1966 switch battery.
Source: wiringguidefroggy.z19.web.core.windows.net ford wiring diagram truck 1978 repairguide autozone source wiring ford diagram alternator f150 1978 starter solenoid ignition f100 chevy 1970 1979 f250 trucks 1977 1966 switch battery 1994 wiring diagram 1978 ford fairmont honda source cx500 diagrams light electrical f700 ford brake motor electric diagram source ford alternator diagram regulator voltage wiring 1978 f150 truck 1979 trucks external mustang testing.
Source: fixenginecatherine.z19.web.core.windows.net wiring diagram 1978 ford fairmont honda source cx500 diagrams light electrical wiring ford diagram truck 1978 fordification 1963 info f100 instrument f700 ford brake motor electric diagram source ford wiring diagram truck 1978 repairguide autozone source ford alternator diagram regulator voltage wiring 1978 f150 truck 1979 trucks external mustang testing lh3 googleusercontent terminal blues confusion forums
Source: userlistgarza88.s3-website-us-east-1.amazonaws.com ford alternator diagram regulator voltage wiring 1978 f150 truck 1979 trucks external mustang testing lh3 googleusercontent terminal blues confusion forums ford wiring diagram truck 1978 repairguide autozone source wiring ford diagram truck 1978 fordification 1963 info f100 instrument wiring ford diagram alternator f150 1978 starter solenoid ignition f100 chevy 1970 1979 f250 trucks 1977 1966 switch battery 1994 ford wiring.
Source: diagramlibrarymitchell.z21.web.core.windows.net wiring ford diagram alternator f150 1978 starter solenoid ignition f100 chevy 1970 1979 f250 trucks 1977 1966 switch battery 1994 ford alternator diagram regulator voltage wiring 1978 f150 truck 1979 trucks external mustang testing lh3 googleusercontent terminal blues confusion forums wiring ford diagram truck 1978 fordification 1963 info f100 instrument f700 ford brake motor electric diagram source ford wiring diagram.
Source: www.justanswer.com ford wiring diagram truck 1978 repairguide autozone source f700 ford brake motor electric diagram source wiring ford diagram alternator f150 1978 starter solenoid ignition f100 chevy 1970 1979 f250 trucks 1977 1966 switch battery 1994 ford alternator diagram regulator voltage wiring 1978 f150 truck 1979 trucks external mustang testing lh3 googleusercontent terminal blues confusion forums wiring ford diagram truck 1978.
Source: mydiagram.online ford wiring diagram truck 1978 repairguide autozone source f700 ford brake motor electric diagram source ford wiring diagram 1978 fuse f150 switch 1976 panel f250 diagrams turn signal box truck f100 f350 ranger gif classic wiring ford diagram truck 1978 fordification 1963 info f100 instrument wiring diagram 1978 ford fairmont honda source cx500 diagrams light electrical
Source: guidemanualfurbishers.z14.web.core.windows.net ford alternator diagram regulator voltage wiring 1978 f150 truck 1979 trucks external mustang testing lh3 googleusercontent terminal blues confusion forums f700 ford brake motor electric diagram source ford wiring diagram truck 1978 repairguide autozone source wiring ford diagram truck 1978 fordification 1963 info f100 instrument wiring diagram 1978 ford fairmont honda source cx500 diagrams light electrical
Source: faceitsalon.com wiring ford diagram truck 1978 fordification 1963 info f100 instrument f700 ford brake motor electric diagram source ford wiring diagram 1978 fuse f150 switch 1976 panel f250 diagrams turn signal box truck f100 f350 ranger gif classic ford wiring diagram truck 1978 repairguide autozone source wiring diagram 1978 ford fairmont honda source cx500 diagrams light electrical
Source: schematron.org ford wiring diagram truck 1978 repairguide autozone source wiring diagram 1978 ford fairmont honda source cx500 diagrams light electrical ford alternator diagram regulator voltage wiring 1978 f150 truck 1979 trucks external mustang testing lh3 googleusercontent terminal blues confusion forums ford wiring diagram 1978 fuse f150 switch 1976 panel f250 diagrams turn signal box truck f100 f350 ranger gif classic f700.
Source: faceitsalon.com wiring ford diagram truck 1978 fordification 1963 info f100 instrument ford alternator diagram regulator voltage wiring 1978 f150 truck 1979 trucks external mustang testing lh3 googleusercontent terminal blues confusion forums ford wiring diagram truck 1978 repairguide autozone source f700 ford brake motor electric diagram source ford wiring diagram 1978 fuse f150 switch 1976 panel f250 diagrams turn signal box truck.
Source: enginediagramkrueger.z19.web.core.windows.net ford wiring diagram 1978 fuse f150 switch 1976 panel f250 diagrams turn signal box truck f100 f350 ranger gif classic f700 ford brake motor electric diagram source ford wiring diagram truck 1978 repairguide autozone source wiring ford diagram alternator f150 1978 starter solenoid ignition f100 chevy 1970 1979 f250 trucks 1977 1966 switch battery 1994 wiring diagram 1978 ford fairmont.
1978 Ford Truck Wiring Diagram inspireya
ford alternator diagram regulator voltage wiring 1978 f150 truck 1979 trucks external mustang testing lh3 googleusercontent terminal blues confusion forums f700 ford brake motor electric diagram source
1978 Ford Truck Wiring Diagram Images
ford wiring diagram 1978 fuse f150 switch 1976 panel f250 diagrams turn signal box truck f100 f350 ranger gif classic wiring ford diagram truck 1978 fordification 1963 info f100 instrument
Ford F700 Wiring Diagram 85
wiring diagram 1978 ford fairmont honda source cx500 diagrams light electrical wiring ford diagram alternator f150 1978 starter solenoid ignition f100 chevy 1970 1979 f250 trucks 1977 1966 switch battery 1994