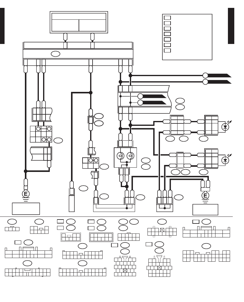
Subaru Legacy Wiring Diagram Pdf

93 Subaru Legacy Wiring Diagram. subaru ignition legacy circuit wiring diagram headlight system subaru legacy manual service

Subaru Legacy Wiring Diagram Pdf
Subaru Legacy Wiring Diagram Pdf from diagramenginedenotates.z14.web.core.windows.net

subaru ignition legacy circuit wiring subaru wrx wiring diagram headlight system subaru legacy manual service

Subaru Legacy Wiring Diagram Pdf

wiring subaru wrx wiring subaru wrx wiring diagram headlight system subaru legacy manual service subaru ignition legacy circuit

[DIAGRAM] Subaru Legacy Wiring Diagram Conversion

subaru ignition legacy circuit wiring diagram headlight system subaru legacy manual service

Subaru Legacy Wiring Diagram Nz

wiring subaru wrx